第 36 章 工程变更单(ECO)
随着设计迭代的进行,您可能需要创建工程变更单(ECO)来捕获变更,并在原理图和印刷电路板设计之间进行正向或反向标注。本节讨论工程变更单操作的用途和使用方法。
工程变更单操作 ಠ_ಠ
ECO 操作包括任何修改连接列表或元件列表的过程。这些操作包括删除、添加和更改封装、元件、网络、管脚对、焊盘栈、属性或设计规则等各个方面。
在进行此类编辑前,您必须处于 ECO 模式。在 ECO 模式下,SailWind Layout 可以将您的变更记录在一个称为 ECO 文件的文本文件中。您可以使用 ECO 文件作为参考来更新或反向标注原理图。
ECO 工具栏
ECO 工具栏提供了快速访问命令的功能,允许您创建和更新与设计相关的工程变更单。
使用 ECO 工具栏可以:
-
对原理图驱动的设计进行工程(网表)变更。
在布局原理图驱动设计时,您需要记录所做的任何网表变更,以便将其反向标注到原理图。为此,您需要在 ECO 模式下工作以记录变更,并使用 ECO 工具栏工具进行变更,这些变更将保存在名为 ECO 文件(.eco)的文本文件中。然后使用 ECO 文件将变更反向标注到原理图。
您还可以通过使用比较/ECO 对话框(工具菜单 > 比较/ECO )创建 ECO 文件。
-
创建布局驱动的设计。
在布局驱动设计(无原理图)中,您使用 ECO 工具栏中的工具创建网表(添加元件并建立连接)。由于没有原理图可反向标注,因此不需要将变更保存在 ECO 文件中。
记录与生成的 ECO 文件对比 ಠ_ಠ
始终最佳实践是记录对设计所做的工程变更。当您记录变更时,会保留对象变更前后的确切列表。
例如,.eco文件将列出电容器 C42 被重命名为 C71。相反,如果只是通过简单比较两个设计来生成工程变更列表,软件无法确定对电气上相同的元件所做的变更。如果设计中有四个具有相同连接的相同电容器,它可能会报告 C28 更改为 C71,而这并不是实际发生的情况。从电气角度看,这些任意决定没有问题,因为电容器具有相同的值并连接到相同的网络。但是,如果您比较这些电容器在布局中的放置方式与原理图中的放置方式,可能没有意义,并可能导致您担心设计的同步出现了严重问题。
因此,根据创建.eco文件的方式,重新编号的反向标注可能会产生不同的效果,其中一种可能不便之处是在交叉探测或双重检查重新编号结果时,比较原理图和布局。使用记录的.eco文件是最佳选择👉,可用于所有三种反向标注方法,包括手动和自动方法。如果您在使用自动重新编号工具时在.eco文件中记录参考标志符的重新编号,您将获得更改参考标志符前后的完美(原值...新值)列表。
但是,如果您通过比较网表生成.eco文件,您将无法获得原理图中分立元件的精确(原值...新值)列表。在网表中,相同且具有相同网络连接的分立元件无法区分。电气上变更将是正确的。但由于网表中没有放置信息,通过比较生成的.eco文件无法确定这些分立元件的精确参考标志符交换。
记录 ECO 变更
如果您正在处理原理图驱动的设计,则需要将设计变更反向标注到原理图。您可以记录网表变更,然后将其保存到 ECO 文件中。
🏃♂️步骤
-
在工具栏上点击👆ECO 工具栏按钮。
-
在 ECO 选项对话框中:
a. 选中✅"写入 ECO 文件"复选框。
b. 确保"文件名"文本框中的.eco文件路径名正确。(如果文件不存在,将创建并写入记录的变更。现有.eco文件保持不变。)
c. 如果.eco文件已存在,指定如何处理它:
-
要将本次会话中进行的 ECO 变更追加到现有文件,选中✅"追加到文件"复选框。
-
要用本次会话中进行的 ECO 变更覆盖现有文件,清除"追加到文件"复选框。
d. 指定何时保存 ECO 变更:
-
要在会话期间增量保存 ECO 变更,以便可以在 ECO 文件中查看它们,选中✅"关闭 ECO 工具箱后写入 ECO 文件"复选框。
-
仅在保存 .pcb 文件、打开新文件或退出 SailWind Layout 时保存 ECO 变更,清除"关闭 ECO 工具箱后写入 ECO 文件"复选框。
e. 根据需要设置其他选项。参见"ECO 选项对话框"主题。
f. 点击👆确定。
-
👀结果
您所做的任何网表变更都将被记录。如果您选中✅了"关闭 ECO 工具箱后写入 ECO 文件"复选框,变更将在关闭 ECO 工具箱时写入 ECO 文件;否则它们将在保存设计、打开新文件或退出软件时保存。
如果在会话期间清除"写入 ECO 文件"或"关闭 ECO 工具箱后写入 ECO 文件"复选框,内存中和 ECO 文件中的所有记录的变更数据都将被删除。
ECO 注册元件
当您使用库管理器编辑元件,在元件信息对话框的常规选项卡上选择👉 ECO 注册元件,然后将元件保存到库中时,该元件即为 ECO 注册元件。一旦元件被分配了 ECO 注册状态,就可以在 ECO 更新过程中识别为包含或排除。
当使用原理图的变更更新设计或使用设计的变更更新原理图时,您可以从 ECO 处理中排除或包含非 ECO 注册元件。在 ECO 选项对话框中,执行以下操作之一:
无论元件是否注册,您都必须处于 ECO 模式才能添加、删除、重命名或更改元件。
避免将非 ECO 注册元件(如机械硬件)连接到 ECO 注册的网表项目(如 GND)。当 ECO 注册项目连接到非 ECO 注册项目时,可能会发生冲突。
ECO 注册属性
ECO 注册和非 ECO 注册属性都可以在 ECO 模式下添加、删除或更改。
要为属性开启 ECO 注册,请使用属性对话框的对象选项卡。同时为您想要反向标注到原理图的任何属性开启 ECO 注册。过孔属性不是注册属性,因此您可以在 ECO 模式或非 ECO 模式下添加、删除或更改它们。
您可以通过清除比较/ECO 工具对话框比较选项卡中的"仅比较 ECO 注册属性"复选框,从 ECO 处理中排除非 ECO 注册属性。
当从原理图更新设计时,会自动显示一个报告,指示导入属性的 ECO 注册状态。当属性辞典中不存在某个属性时,会添加该属性并关闭 ECO 注册。如果属性已存在于字典中,则使用字典中的现有属性和 ECO 注册。
ECO 模式操作(布局驱动设计工具)
本节描述您只能在 ECO 模式下执行的特定操作。
受保护的布线或物理设计重用元素可能会阻止您进行 ECO 变更。您必须取消布线保护或中断重用才能继续。如果您正在记录 ECO 文件的变更,取消跟踪保护或中断重用元素的操作不会被保存。
预定义网络名称 ಠ_ಠ
当您使用添加布线、添加连接或复制布线命令向设计添加网络时,"从管脚功能派生网络名称"快捷菜单选项控制如何命名添加的网络。启用此选项时,管脚的管脚名称决定网络名称。如果没有管脚名称或此选项被禁用,网络名称将自动生成。
在动态创建设计而不是从原理图工具生成的网表创建设计时,使用"从管脚功能派生网络名称"选项。例如,在典型的 BGA 设计中,您手动使用添加布线或添加连接命令将每个芯片部分的基板绑定焊盘连接到 BGA 元件焊盘。要为添加的网络赋予有意义的名称,启用"从管脚功能派生网络名称"以从芯片部分管脚名称(例如 GND)派生网络名称。
添加连接 ಠ_ಠ
添加连接时,命令行为取决于被连接管脚的状态,如管脚不在网络中、一个管脚在网络中、一个管脚定义为输出或合并网络。
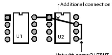
在图 110 所示的示例 1 中,管脚 1 和管脚 2 不在网络中。其中一个管脚有管脚名称(功能)。
连接管脚 1 和管脚 2 会打开"定义网络名称"对话框。

在"定义网络名称"对话框中点击👆"将管脚添加到输出"将管脚 1 和管脚 2 添加到网络名称输出(图 111)。
图 111. 将管脚 1 和管脚 2 添加到网络名称输出

在图 112 所示的示例 2 中,其中一个管脚在网络中。其中一个管脚定义了管脚功能。
图 112. 当其中一个管脚在网络中时添加连接

当您连接管脚 1 和管脚 2 时,"定义网络名称"对话框出现。选择👉您想要分配给合并网络的名称。然后网络将合并,如图 113 所示。
图 113. 合并网络

在 ECO 模式下添加连接
当您在设计中创建新的管脚对时,它将更改当前网表。ECO 模式捕获此变更并保留它以便稍后反向标注到原理图。在添加新连接时,您有许多命名选项可用。
当您修改或删除设计对象时,电气网络会重新生成。这可能导致包含这些对象的现有电气网络被截断、分割或完全删除。
🏃♂️步骤
-
点击👆 ECO 工具栏 > 添加连接 按钮。
如果这是当前会话中第一次使用 ECO 工具栏,ECO 选项对话框会出现。设置您想要的选项并点击👆确定以使用 ECO 工具。
-
选择👉连接中的第一个管脚。
在添加连接时:
-
您可以右键点击👆重命名当前网络来重命名当前管脚的网络。在"重命名网络"提示中,输入📝新名称并点击👆确定。网络名称的最大长度为 47 个字符。更多信息,请参见"网络名称和元件名称中的非法字符"。
-
您可以重命名当前管脚的网络,如下所示:
-
要使用管脚功能作为网络名称,右键点击👆从管脚功能派生网络名称。更多信息,请参见"预定义网络名称"。
-
要输入📝新名称,右键点击👆重命名当前网络。在"重命名网络"提示中输入📝新名称,并点击👆确定。网络名称的最大长度为 47 个字符。更多信息,请参见"网络名称和元件名称中的非法字符"。
-
要使用管脚功能作为网络名称,右键点击👆从管脚功能派生网络名称。更多信息,请参见"预定义网络名称"。
-
要输入📝新名称,右键点击👆重命名当前网络。在"重命名网络"提示中,输入📝新名称,并点击👆确定。网络名称的最大长度为 47 个字符。更多信息,请参见"网络名称和元件名称中的非法字符"。
-
-
-
选择👉连接中的第二个管脚。
如果您连接到不同网络的管脚(合并两个网络),"定义合并网络名称"对话框会出现。选择👉或输入📝新的网络名称。(为每个新创建的连接自动生成网络名称。)更多信息,请参见鼠标"预定义网络名称"。
-
点击👆另一个管脚继续向此网络添加连接,或右键点击👆取消停止。
在 ECO 模式下添加布线
您可以创建添加或更改当前网表的布线,或者结束在不同网络名称的段上的布线。
当您修改或删除设计对象时,电气网络会重新生成。这可能导致包含这些对象的现有电气网络被截断、分割或完全删除。
🏃♂️步骤
-
点击👆 ECO 工具栏 > 添加布线 按钮。
如果这是当前会话中第一次使用 ECO 工具栏,ECO 选项对话框会出现。设置您想要的选项并点击👆确定以使用 ECO 工具。
-
选择👉开始跟踪的管脚。
-
开始布线。
如"手动布线"中所述添加拐角和过孔。您还可以使用快捷菜单控制布线操作。在布线时:
-
您可以重命名当前管脚的网络。右键点击👆重命名当前网络。在"重命名网络"提示中输入📝新名称,并点击👆确定。网络名称的最大长度为 47 个字符。更多信息,请参见"网络名称和元件名称中的非法字符"。
作为替代方案,您可以使用管脚功能作为网络名称。右键点击👆从管脚功能派生网络名称。更多信息,请参见"预定义网络名称"。
-
右键点击👆取消退出添加布线模式。
-
当在线
DRC禁用时,当鼠标靠近任何符合条件的完成点时,无论网络如何,鼠标都会变为靶心。 -
当在线
DRC处于防止错误模式时,当布线不在同一网络或没有网表的管脚之间的跟踪时,所有项目都被视为障碍。要连接到管脚,右键点击👆选择👉目标并选择👉您想要结束跟踪的管脚。 -
如果您连接到不同网络的管脚(即合并两个网络),"定义合并网络名称"对话框会出现。选择👉或输入📝新的网络名称。(为每个新连接自动生成网络名称。)更多信息,请参见"预定义网络名称"。
-
-
选择👉结束跟踪的管脚。
在 ECO 模式下添加元件
您可以在 ECO 模式下向设计添加新元件,这将更改当前网表。ECO 模式捕获此变更并保留它以便稍后反向标注到原理图。
当您修改或删除设计对象时,电气网络会重新生成。这可能导致包含这些对象的现有电气网络被截断、分割或完全删除。
🙊限制
-
如果设计处于默认层模式而要添加的封装处于增加层模式,则无法向设计添加封装。使用层设置对话框将设计更改为增加层模式。
-
元件必须经过 ECO 注册才能包含在 ECO 文件中。您可以在元件信息对话框中设置元件的 ECO 注册。
🏃♂️步骤
-
点击👆 ECO 工具栏 > 添加元件 按钮。
如果这是当前会话中第一次使用 ECO 工具栏,ECO 选项对话框会出现。设置您想要的选项并点击👆确定以使用 ECO 工具。
-
在"从库获取元件类型"对话框中,要过滤元件类型,在过滤区域,在"项目"框中输入📝通配符或表达式并点击👆应用。
如果"过滤项目"框为空,则不会显示任何项目。添加星号(*)以查看库或库分区中的所有项目在"元件类型"列表中。
-
在"元件类型"列表框中选择👉元件名称并点击👆添加以将元件附加到鼠标。
-
如果所选元件类型已存在于具有指定名称的设计中,则会出现消息"元件类型<名称>已存在于设计中。跳过从库加载,将使用设计的元件类型"。点击👆确定继续。转到步骤 4。
-
如果指定的元件类型不存在于设计中,但封装名称存在,则会出现消息"封装<名称>已存在于设计中。跳过从库加载封装,将使用设计的数据"。仅当库元件和设计元件中的端子数量相同时才会显示此消息。点击👆确定继续。转到步骤 4。
-
如果指定的元件类型不存在,并且新封装中的端子数量与现有封装中的端子数量不匹配,则会出现消息"封装<名称>已存在于设计中。库封装具有与设计中封装不同数量的端子。中止从库获取元件类型"。在这种情况下,添加元件过程将取消。
-
如果备用封装中的端子数量不匹配,则会出现消息"库元件类型<库名称:元件类型名称>具有不同数量端子的封装。中止从库获取元件类型"。在这种情况下,添加元件过程将取消。
-
-
点击👆关闭关闭对话框。
-
可选:分配参考标志符。
除非您分配参考标志符,否则新元件将自动标注下一个可用的参考标志符。您可以在放置新元件之前更改参考标志符。右键点击👆重命名当前元件。在"重命名元件"提示中,输入📝新的参考标志符,并点击👆确定。
-
将元件移动到适当位置并点击👆放置元件。
自动重新编号扫描
自动重新编号的结果取决于由单元大小和重新编号扫描的方向模式创建的矩阵。"自动重新编号"对话框的"单元大小"区域中使用的值允许您创建电路板的自定义重新编号扫描。
您可以选择👉八种不同的方向编号模式之一。选择👉最适合电路板方向和形状的模式。

图 114. 自动重新编号模式
宽扫描示例
在此示例中,您接受"自动重新编号"对话框的默认单元大小设置。On x 和 On y 值设置为包含整个电路板。这产生一个长而宽的扫描。使用宽扫描的结果经常导致参考标志符的意外编号。

窄扫描示例
在此示例中,您为"单元大小"的 On y 值输入📝一个小值。On y 值很小,如 10 mils,它甚至可以捕捉到组件对齐中最小的变化。使用太窄的扫描会导致看起来没有偏移的组件编号。

图 116. 窄扫描结果
最佳实践
根据所示示例,重新编号的最佳实践是创建确实跨越整个电路板但采用窄扫描的单元。您可能需要调整扫描的宽度以达到所需的结果。重新编号时,扫描使用组件的底部管脚作为原点。
例如,您的电路板宽 4000 mils,高 2000 mils。您正在从左到右,从上到下重新编号。您希望将单元大小设置为 On x=4000 和 On y=10。
如果参考标志符重新编号不完全完美,您始终可以手动重新编号一些未按预期重新编号的组件。
在 ECO 模式下更改多个元件的参考标志符(自动重新编号)
完成设计的最终布局后,您可以重新编号元件以按可识别的模式(如从上到下,从左到右)排序参考标志符。这使得在制造板上更容易找到组件。
自动重新编号是一种 ECO 操作,因此您必须启动 ECO 模式才能自动重新编号元件。生成的 ECO 文件包含用于反向标注到关联设计文件的元件名称变更。
如果您正在重新编号将反向标注到原理图的原理图驱动设计,则必须在重新编号之前通过选中✅ ECO 选项对话框中的"写入 ECO 文件"复选框来记录自动重新编号操作。在.eco文件中记录确切的变更可获得最佳的反向标注结果。更多信息,请参见"记录与生成的 ECO 文件对比"。
当您修改或删除设计对象时,电气网络会重新生成。这可能导致包含这些对象的现有电气网络被截断、分割或完全删除。
🙊限制
-
受保护的布线或物理设计重用元素可能会阻止您更改参考标志符。您必须取消布线保护或中断重用才能继续。如果您正在记录 ECO 文件的变更,取消跟踪保护或中断重用元素的操作不会被保存。
-
跳线被排除在自动重新编号之外。
🏃♂️步骤
-
点击👆 ECO 工具栏 > 自动重新编号 按钮。
(如果这是当前会话中第一次使用 ECO 工具栏,ECO 选项对话框会出现。设置您想要的选项并点击👆确定以使用 ECO 工具。)
-
在"自动重新编号"对话框中,确保您想要使用的参考标志符前缀在"前缀列表"中被选中✅。您必须至少选择👉一个前缀。
-
在"单元大小"区域,输入📝重新编号扫描的矩阵大小。
有关选择👉单元大小和重新编号模式的信息,请参见"自动重新编号扫描"。
-
在"优先级"区域做出重新编号选择👉:
-
对于顶部和底部都有元件的设计,选中✅"连续编号侧到侧"复选框以顺序编号所有元件。在"开始重新编号从"中点击👆顶部或底部。
-
对于顶部和/或底部,选中✅"重新编号"复选框并指示"起始值"和适用的"增量值"。
-
为一个或两侧点击👆重新编号模式按钮。
-
-
点击👆确定。
👀结果
结果不符合您的预期?点击👆编辑 > 撤销撤销重新编号并重新开始。(您可能需要重新查看"自动重新编号扫描"。)
在 ECO 模式下更改元件
使用"更改元件"将一个或多个元件的元件类型更改为设计中另一个元件的元件类型或库中的元件类型。
更新的元件类型可能包含不同的封装分配,这可能会影响设计中的布线。您还可以从库中更新元件类型为新版本。
当您修改或删除设计对象时,电气网络会重新生成。这可能导致包含这些对象的现有电气网络被截断、分割或完全删除。
🙊限制
-
受保护的布线或物理设计重用元素可能会阻止您在 ECO 模式下更改元件。您必须取消布线保护或中断重用才能继续。如果您正在记录 ECO 文件的变更,取消跟踪保护或中断重用元素的操作不会被保存。
-
如果设计处于默认层模式而要添加的封装处于增加层模式,则无法向设计添加封装。使用层设置对话框将设计更改为增加层模式。
🏃♂️步骤
-
点击👆 ECO 工具栏 > 更改元件 按钮。
(如果这是当前会话中第一次使用 ECO 工具栏,ECO 选项对话框会出现。设置您想要的选项并点击👆确定以使用 ECO 工具。)
-
输入📝 DRO 并按 Enter 键关闭在线 DRC(设计规则检查)。
-
选择👉要更改元件类型的一个或多个元件。
要选择👉单个元件,点击👆设计区域中的元件。要选择👉多个元件,右键点击👆查找以使用查找对话框。更多信息,请参见"查找对象对话框"主题。
-
使用以下方法之一更改元件:
a. 要将元件更改为设计中的不同元件类型,点击👆要用作替换的元件。
b. 要将元件更改为库中的元件类型,右键点击👆库浏览。"从库获取元件类型"对话框出现。要过滤元件类型,在过滤区域,在"项目"框中输入📝通配符或表达式并点击👆应用。找到并选择👉项目,然后点击👆替换。
- 如果所选元件类型已存在于具有指定名称的设计中,则会出现消息"元件类型<名称>已存在于设计中。跳过从库加载,将使用设计的元件类型"。点击👆确定继续。
-
在"更改元件"对话框中,系统会提示您确认变更。如果要保留设计中元件的属性,选中✅"保留属性"复选框。
-
如果修改后的元件类型更改了 PCB 封装或包含不同的管脚编号,您必须在"分配管脚编号对话框"中将旧封装管脚编号映射到新封装管脚编号。
👀结果
如果管脚位置相同且新端子仍在测试侧有焊盘,则"更改元件"保留测试点;否则测试点将被移除。
在 ECO 模式下从库中更新元件类型
您可以从库中的新版本更新元件类型数据。更新的元件类型可能包含不同的封装分配,这可能会影响设计中的布线。
您还可以将元件更改为设计或库中的另一个元件类型。
当您修改或删除设计对象时,电气网络会重新生成。这可能导致包含这些对象的现有电气网络被截断、分割或完全删除。
🙊限制
-
如果设计处于默认层模式而要添加的封装处于增加层模式,则无法向设计添加封装。使用层设置对话框将设计更改为增加层模式。
-
受保护的布线或物理设计重用元素可能会阻止您在 ECO 模式下更新元件类型。您必须取消布线保护或中断重用才能继续。如果您正在记录 ECO 文件的变更,取消跟踪保护或中断重用元素的操作不会被保存。
🏃♂️步骤
-
点击👆 ECO 工具栏 > 更改元件 按钮。
(如果这是当前会话中第一次使用 ECO 工具栏,ECO 选项对话框会出现。设置您想要的选项并点击👆确定以使用 ECO 工具。)
-
输入📝 DRO 并按 Enter 键关闭在线 DRC(设计规则检查)。
-
选择👉要更新元件类型的一个或多个元件。
-
右键点击👆库浏览。
-
在"从库获取元件类型"对话框中,选中✅"从库更新元件类型"复选框,以使用相同名称的新库定义更新所选元件类型。
搜索会定位并自动突出显示所选元件类型的库定义。
-
点击👆替换。
-
如果设计中有其他使用所选元件类型的元件您没有选择👉,系统会提示您消息:"元件类型<名称>将被替换为库项目,用于设计中的所有此类型元件"。点击👆确定。注意,您必须更新所有使用相同元件类型的元件。
-
系统会提示您确认变更。如果要保留属性,选中✅"保留属性"复选框。
-
如果修改后的元件类型更改了 PCB 封装或包含不同的管脚编号,您必须在"分配管脚编号对话框"中将旧封装管脚编号映射到新封装管脚编号。
👀结果
如果管脚位置相同且新端子仍在测试侧有焊盘,则"更改元件"保留测试点;否则测试点将被移除。
在 ECO 模式下复制元件
创建现有元件的副本会更改网表,被视为工程变更,需要 ECO 模式。
当您修改或删除设计对象时,电气网络会重新生成。这可能导致包含这些对象的现有电气网络被截断、分割或完全删除。
🏃♂️步骤
-
在设计中选择👉要复制的元件。
-
点击👆 ECO 工具栏 > 添加元件 按钮。
(如果这是当前会话中第一次使用 ECO 工具栏,ECO 选项对话框会出现。设置您想要的选项并点击👆确定以使用 ECO 工具。)作为替代方案,点击👆编辑>复制,然后编辑>粘贴。
元件将附加到鼠标。
-
可选:在放置元件之前,您可以分配参考标志符。如果不分配,新元件将自动标注下一个可用的参考标志符。
右键点击👆重命名当前元件。"重命名元件"提示出现,要求输入📝新的参考标志符。输入📝新的参考标志符,并点击👆确定。
-
将元件移动到适当位置并点击👆放置它。
在 ECO 模式下删除元件
从板上删除元件会更改网表,被视为工程变更,需要 ECO 模式。
当您修改或删除设计对象时,电气网络会重新生成。这可能导致包含这些对象的现有电气网络被截断、分割或完全删除。
🙊限制
受保护的布线或物理设计重用元素可能会阻止您在 ECO 模式下删除元件。您必须取消布线保护或中断重用才能继续。如果您正在记录 ECO 文件的变更,取消跟踪保护或中断重用元素的操作不会被保存。
🏃♂️步骤
-
点击👆 ECO 工具栏 > 删除元件 按钮。
(如果这是当前会话中第一次使用 ECO 工具栏,ECO 选项对话框会出现。设置您想要的选项并点击👆确定以使用 ECO 工具。)
-
将选择👉筛选条件设置为选择👉元件。
-
选择👉一个或多个要删除的元件。
您可以通过拖动框选择👉多个元件。
-
在"删除元件"对话框中,您可以选择👉选中✅"删除布线"复选框以删除连接到元件上的布线。
-
点击👆确定确认删除。
测试点随元件一起删除。
-
如果删除元件创建了单管脚网络,第二个"删除元件"对话框会出现并显示哪些网络也将被删除。这不是可选步骤。点击👆关闭。
在 ECO 模式下删除连接
使用"删除连接"删除管脚对,将管脚从网络断开或将网络拆分为两个不同的网络。这也会删除属于连接的测试点过孔。删除连接会更改网表,被视为工程变更,需要 ECO 模式。
当您修改或删除设计对象时,电气网络会重新生成。这可能导致包含这些对象的现有电气网络被截断、分割或完全删除。
🙊限制
受保护的布线或物理设计重用元素可能会阻止您在 ECO 模式下删除连接。您必须取消布线保护或中断重用才能继续。如果您正在记录 ECO 文件的变更,取消跟踪保护或中断重用元素的操作不会被保存。
🏃♂️步骤
-
点击👆 ECO 工具栏 > 删除连接 按钮。
(如果这是当前会话中第一次使用 ECO 工具栏,ECO 选项对话框会出现。设置您想要的选项并点击👆确定以使用 ECO 工具。)
-
执行以下操作之一:
-
删除管脚对 选择👉管脚对之间的连接或跟踪以删除它。如果网络仅包含一个管脚对,选择👉任一管脚将删除管脚对。
-
断开管脚 选择👉要断开的管脚。如果网络包含多个管脚对,"断开管脚"对话框会出现,其中包含删除指向管脚的布线段的选项。
-
拆分网络 有关如何执行此操作的信息,请参见"在 ECO 模式下拆分网络"。
-
在 ECO 模式下拆分网络
您可以通过删除多管脚对网络中间的管脚对来拆分网络。拆分网络会更改网表,被视为工程变更,需要 ECO 模式。
如果您拆分与桥接铜关联的网络,则关联将从铜中移除。
当您修改或删除设计对象时,电气网络会重新生成。这可能导致包含这些对象的现有电气网络被截断、分割或完全删除。
🙊限制
受保护的布线或物理设计重用元素可能会阻止您在 ECO 模式下拆分网络。您必须取消布线保护或中断重用才能继续。如果您正在记录 ECO 文件的变更,取消跟踪保护或中断重用元素的操作不会被保存。
🏃♂️步骤
-
点击👆 ECO 工具栏 > 删除连接 按钮。
(如果这是当前会话中第一次使用 ECO 工具栏,ECO 选项对话框会出现。设置您想要的选项并点击👆确定以使用 ECO 工具。)
-
选择👉应在其中拆分网络的管脚对之间的连接。
您将收到类似以下消息的提示:
点击👆是。
-
在"定义新网络名称"对话框中,命名新网络或让 SailWind Layout 自动生成新网络名称。
网络名称:
-
最大长度为 47 个字符。
-
可以包含任何字母数字字符,除了大括号{ }、星号*、逗号(,)、空格和问号。
-
👀结果
-
如果存在拆分的网络的"按网络颜色"设置,则新网络使用相同的颜色设置。更多信息,请参见"为网络分配颜色"。
-
属于连接的测试点被删除。
在 ECO 模式下删除网络
您可以删除所有管脚对并从网络中移除所有管脚连接。删除网络会更改网表,被视为工程变更,需要 ECO 模式。
当您修改或删除设计对象时,电气网络会重新生成。这可能导致包含这些对象的现有电气网络被截断、分割或完全删除。
🙊限制
受保护的布线或物理设计重用元素可能会阻止您在 ECO 模式下删除网络。您必须取消布线保护或中断重用才能继续。如果您正在记录 ECO 文件的变更,取消跟踪保护或中断重用元素的操作不会被保存。
🏃♂️步骤
-
点击👆 ECO 工具栏 > 删除网络 按钮。
(如果这是当前会话中第一次使用 ECO 工具栏,ECO 选项对话框会出现。设置您想要的选项并点击👆确定以使用 ECO 工具。)
-
选择👉要删除的网络中的管脚、未布线的管脚对、跟踪或过孔。
-
点击👆确定确认删除。
"删除网络"还会删除属于网络的测试点过孔。
在 ECO 模式下更改元件的参考标志符
您可以使用"重命名元件"ECO 工具更改单个元件的参考标志符。更改参考标志符会更改网表,被视为工程变更,需要 ECO 模式。
当您修改或删除设计对象时,电气网络会重新生成。这可能导致包含这些对象的现有电气网络被截断、分割或完全删除。
🙊限制
受保护的布线或物理设计重用元素可能会阻止您在 ECO 模式下更改参考标志符。您必须取消布线保护或中断重用才能继续。如果您正在记录 ECO 文件的变更,取消跟踪保护或中断重用元素的操作不会被保存。
🏃♂️步骤
-
(如果这是当前会话中第一次使用 ECO 工具栏,ECO 选项对话框会出现。设置您想要的选项并点击👆确定以使用 ECO 工具。)
-
选择👉单个元件。
-
在"重命名元件"提示中,在"新名称"框中输入📝新的参考标志符。
-
点击👆确定。
在 ECO 模式下更改多个元件的参考标志符前缀
您可以使用"重命名元件"ECO 工具更改多个设计元件的参考标志符前缀。这会更改网表,被视为工程变更,需要 ECO 模式。
当您修改或删除设计对象时,电气网络会重新生成。这可能导致包含这些对象的现有电气网络被截断、分割或完全删除。
🙊限制
受保护的布线或物理设计重用元素可能会阻止您在 ECO 模式下更改参考标志符前缀。您必须取消布线保护或中断重用才能继续。如果您正在记录 ECO 文件的变更,取消跟踪保护或中断重用元素的操作不会被保存。
🏃♂️步骤
-
选择👉要更改参考标志符前缀的多个元件。
所有选定的元件当前必须具有相同的前缀。
-
(如果这是当前会话中第一次使用 ECO 工具栏,ECO 选项对话框会出现。设置您想要的选项并点击👆确定以使用 ECO 工具。)
-
选择👉以下操作之一:
-
添加到现有前缀 输入📝新前缀,然后输入📝当前前缀。
-
更改现有前缀 输入📝新前缀。
-
-
点击👆确定。
在 ECO 模式下重命名网络
您可以使用"重命名网络"ECO 工具更改网络的名称。这会更改网表,被视为工程变更,需要 ECO 模式。
🙊限制
受保护的布线或物理设计重用元素可能会阻止您在 ECO 模式下重命名网络。您必须取消布线保护或中断重用才能继续。如果您正在记录 ECO 文件的变更,取消跟踪保护或中断重用元素的操作不会被保存。
🏃♂️步骤
-
点击👆 ECO 工具栏 > 重命名网络 按钮。
(如果这是当前会话中第一次使用 ECO 工具栏,ECO 选项对话框会出现。设置您想要的选项并点击👆确定以使用 ECO 工具。)
-
选择👉要重命名的网络中的管脚、未布线的管脚对、跟踪或过孔。
-
在"重命名网络"对话框中,输入📝新名称,并点击👆确定。
网络名称的最大长度为 47 个字符。更多信息,请参见"网络名称和元件名称中的非法字符"。
在 ECO 模式下自动交换 ECL 端子
您可以自动交换 ECL 端子分配,或在 ECL 管脚之间交换网络名称。
当您修改或删除设计对象时,电气网络会重新生成。这可能导致包含这些对象的现有电气网络被截断、分割或完全删除。
🙊限制
此命令忽略作为物理设计重用一部分的对象。受保护的布线或物理设计重用元素可能会阻止您在 ECO 模式下交换 ECL 端子。您必须取消布线保护或中断重用才能继续。如果您正在记录 ECO 文件的变更,取消跟踪保护或中断重用元素的操作不会被保存。
🏃♂️步骤
-
点击👆 ECO 工具栏 > 端子分配 按钮。
(如果这是当前会话中第一次使用 ECO 工具栏,ECO 选项对话框会出现。设置您想要的选项并点击👆确定以使用 ECO 工具。)
-
点击👆是以响应显示的提示。
交换门
本节描述用于手动或自动交换门的过程。
在 ECO 模式下手动交换门
您可以将门与任何等效门交换以优化布线和/或最小化跟踪长度。
当满足以下条件时,门是等效的:
-
它们共享相同的封装。
-
它们具有匹配的非零交换 ID。
-
它们具有相同的管脚数。
当您修改或删除设计对象时,电气网络会重新生成。这可能导致包含这些对象的现有电气网络被截断、分割或完全删除。
🙊限制
-
您不能交换具有来自带有规则的管脚对的任何管脚的门。
-
受保护的布线或物理设计重用元素可能会阻止您在 ECO 模式下交换门。您必须取消布线保护或中断重用才能继续。如果您正在记录 ECO 文件的变更,取消跟踪保护或中断重用元素的操作不会被保存。
🏃♂️步骤
-
点击👆 ECO 工具栏 > 交换门 按钮。
(如果这是当前会话中第一次使用 ECO 工具栏,ECO 选项对话框会出现。设置您想要的选项并点击👆确定以使用 ECO 工具。)
-
选择👉一个管脚。
所有候选交换的门都会高亮显示。具有与所选管脚的交换 ID 匹配的非零交换 ID 的候选门以高亮颜色显示。具有不同或未定义交换 ID 的候选门以互补颜色显示。
-
选择👉要高亮显示的管脚进行交换。
👀结果
如果选中✅"在元件移动期间拉伸跟踪"复选框(在选项对话框 > 设计类别),连接到交换门管脚的跟踪将重新布线。如果清除"在元件移动期间拉伸跟踪",则在执行交换之前取消布线跟踪段。
您可以在执行交换后立即撤销最后一个"交换门"命令。在仍处于交换模式时右键点击👆撤销上次交换,或退出交换模式并点击👆工具栏上的撤销按钮。
在 ECO 模式下自动交换所有门
您可以根据最短总未布线管脚对长度自动将所有门与等效门交换。
当满足以下条件时,门是等效的:
-
它们共享相同的封装。
-
它们具有匹配的非零交换 ID。
-
它们具有相同的管脚数。
当您修改或删除设计对象时,电气网络会重新生成。这可能导致包含这些对象的现有电气网络被截断、分割或完全删除。
🙊限制
-
您不能交换具有来自带有规则的管脚对的任何管脚的门。
-
忽略作为物理设计重用一部分的对象。
-
受保护的布线或物理设计重用元素可能会阻止您在 ECO 模式下交换门。您必须取消布线保护或中断重用才能继续。如果您正在记录 ECO 文件的变更,取消跟踪保护或中断重用元素的操作不会被保存。
🏃♂️步骤
-
点击👆 ECO 工具栏 按钮。
(如果这是当前会话中第一次使用 ECO 工具栏,ECO 选项对话框会出现。设置您想要的选项并点击👆确定以使用 ECO 工具。)
-
点击👆 ECO 工具栏上的自动交换门按钮。
👀结果
如果选中✅"在元件移动期间拉伸跟踪"复选框(在选项对话框 > 设计),连接到交换门管脚的跟踪将重新布线。如果清除"在元件移动期间拉伸跟踪",则在执行交换之前取消布线跟踪段。
您可以在执行交换后立即撤销最后一个"自动交换门"命令。只需点击👆工具栏上的撤销按钮。
交换管脚
本节描述用于手动或自动交换管脚的过程。
在 ECO 模式下手动交换管脚
您可以将管脚与任何等效管脚交换以优化布线和/或最小化跟踪长度。当管脚具有匹配的非零交换 ID 时,它们是等效的。
🙊限制
-
您不能交换具有来自带有规则的管脚对的任何管脚的管脚。
-
粘合下来的连接器不包括在交换中。
-
受保护的布线或物理设计重用元素可能会阻止您在 ECO 模式下交换管脚。您必须取消布线保护或中断重用才能继续。如果您正在记录 ECO 文件的变更,取消跟踪保护或中断重用元素的操作不会被保存。
🏃♂️步骤
-
点击👆 ECO 工具栏 > 交换管脚 按钮。
(如果这是当前会话中第一次使用 ECO 工具栏,ECO 选项对话框会出现。设置您想要的选项并点击👆确定以使用 ECO 工具。)
-
选择👉一个管脚。
所有候选交换的管脚都会高亮显示。具有与所选管脚的交换 ID 匹配的非零交换 ID 的候选管脚以高亮颜色显示。具有不同或未定义交换 ID 的候选管脚以互补颜色显示。
-
选择👉要高亮显示的管脚进行交换。
如果您尝试交换具有未定义交换 ID 或不同交换 ID 的管脚,"确认管脚交换"对话框会出现,您必须确认交换是合法的。如果这些管脚应该是可交换的,正确的过程是在元件信息对话框的管脚选项卡中为它们分配相同的交换 ID。
-
点击👆确定。
👀结果
如果选中✅"在元件移动期间拉伸跟踪"复选框(在选项对话框 > 设计类别),连接到交换门管脚的跟踪将重新布线。如果清除"在元件移动期间拉伸跟踪",则在执行交换之前取消布线跟踪段。
您可以在执行交换后立即撤销最后一个"交换管脚"命令。在仍处于交换模式时右键点击👆撤销上次交换,或退出交换模式并点击👆工具栏上的撤销按钮。
在 ECO 模式下自动交换所有管脚
您可以根据最短总未布线管脚对长度自动将所有管脚与等效管脚交换。当管脚具有匹配的非零交换 ID 时,它们是等效的。
🙊限制
-
您不能交换具有来自带有规则的管脚对的任何管脚的管脚。
-
粘合下来的连接器不包括在交换中。
-
忽略作为物理设计重用一部分的对象。
-
受保护的布线或物理设计重用元素可能会阻止您在 ECO 模式下交换管脚。您必须取消布线保护或中断重用才能继续。如果您正在记录 ECO 文件的变更,取消跟踪保护或中断重用元素的操作不会被保存。
🏃♂️步骤
-
点击👆 ECO 工具栏 按钮。
(如果这是当前会话中第一次使用 ECO 工具栏,ECO 选项对话框会出现。设置您想要的选项并点击👆确定以使用 ECO 工具。)
-
点击👆 ECO 工具栏上的自动交换管脚按钮。
👀结果
如果选中✅"在元件移动期间拉伸跟踪"复选框(在选项对话框设计类别),连接到交换门管脚的跟踪将重新布线。如果清除"在元件移动期间拉伸跟踪",则在执行交换之前取消布线跟踪段。
您可以在执行交换后立即撤销最后一个"自动交换管脚"命令。只需点击👆工具栏上的撤销按钮。
在 ECO 模式下复制的桥接铜
当您在 ECO 模式下复制桥接铜并至少分配了一个网络跟踪时,粘贴的副本保留其桥接状态以及与任何附加跟踪的关联。根据粘贴跟踪的情况,它们的网络名称可能会被重命名或与现有网络合并。
网络名称和元件名称中的非法字符
您可以使用任何字母数字字符作为网络名称和元件名称,但有少数例外。
网络名称中的以下字符是非法的:
-
空格 逗号(,)
-
大括号( { } )
-
星号(*)
-
问号(?)
元件名称中的以下字符是非法的:
-
空格 逗号(,)
-
大括号( { } )
-
星号(*)
-
问号(?)
-
句点( . )
-
与符号(&)
