添加总线教程
总线用于快速为一组顺序命名的网络(如地址或数据总线)添加连接。
本课程内容:
😎前提
如果尚未运行,请启动 SailWind Logic 并打开\SailWind Projects\Samples 文件夹中的previewconnect.sch文件。
创建并连接总线
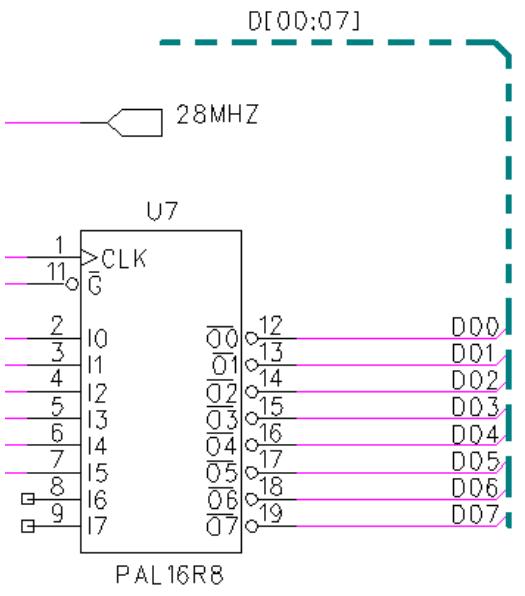
在以下章节中,您将添加一条总线并将 U7 连接到该总线(下图中虚线部分)。总线用于简化原理图中的网络连接以提高可读性。通常从一个元件连接到另一个元件的网络被"合并"到总线中,使原理图连接更清晰。

创建总线
使用添加总线命令创建新总线。
- 点击👆设计工具栏上的添加总线按钮。
- 以状态栏上的坐标显示为参考,将鼠标定位在X9400,Y4400。
- 将鼠标定位在X8100,Y6200并双击,或右键点击👆并选择👉完成以完成总线定义。
- 在添加总线对话框中,点击👆位格式。
- 在总线名称框中输入📝D[00:07]命名总线,点击👆确定。总线名称标签将附着在鼠标上。
- 将标签定位在总线水平段上方并点击👆放置。
- 右键点击👆并选择👉取消退出添加总线模式。
总线命名规范
本练习中标记的总线使用位格式——一系列具有连续网络名称的网络。混合网络总线类型包含不总是连续的单独网络。它甚至可以包含一个位格式总线以及其他网络。混合网络被单独添加到添加总线对话框的总线网络列表中。每个网络的位范围是可选的。
连接到总线
使用添加连接命令连接到总线。
-
点击👆添加连接按钮。
-
选择👉 U7 上的管脚12,并将鼠标定位在总线的垂直段上。
-
点击👆以添加连接到总线。
-
在添加总线网络名称对话框中,点击👆确定接受 D00 网络名称。
-
右键点击👆并选择👉移动。
-
将网络名称标签定位在连接上方,点击👆放置。
-
重复步骤 3 和 4 将 U7 上的管脚13连接到 D01。
NOTE网络名称分配自动递增,网络名称标签的位置被保留。
-
点击👆接受 D01 网络名称的位置。
-
右键点击👆并选择👉取消退出添加模式。替代方法:按 Esc。
使用复制功能逐步重复总线连接
您可以使用复制命令逐步重复连接,加快连接到总线的过程。
-
点击👆复制模式按钮。
-
选择👉您添加的 D01 连接的中点。
NOTE连接的副本附着在鼠标上。
-
右键点击👆并选择👉逐步重复。
-
在逐步重复对话框中,选择👉向下作为方向,在计数框中输入📝6,在距离框中输入📝100。
-
点击👆确定完成 U7 到数据总线的连接。
-
按Esc两次取消并先退出复制模式,然后退出添加连接模式。
重命名总线、子网或网络
您可以重命名总线、总线的子网或网络。
-
右键点击👆 > 选择👉任意对象 > 选择👉连接(或总线)段 > 右键点击👆 > 属性。
-
通过在网络名称框中输入📝新名称或切换到列表中的另一个网络来更改网络或总线的名称。
-
选择👉重命名选项以设置如何将重命名应用于所选连接。有两个选项:
- 此实例 - 仅影响所选连接
- 所有实例 - 影响设计中命名网络的每个连接实例
-
点击👆确定应用重命名。
TIP当您将网络名称更改为已存在的网络名称时,系统会提示您确认网络的合并。点击👆确定将两个网络合并为一个网络。
-
不要保存文件副本。
您已完成添加总线教程。
